Our Products
Contact for all your piping needs
Email Us
High-Quality Figure 8 Blanks / Spectacle Blinds – ISO Certified, ASME B16.48 & ANSI B16.5 Flanges, EN 1092-1 and API 590 Compliant, Class 150 to 2500 Ratings, MSS SP-44 Approved Manufacturer.
Bhavani Industries is a leading manufacturer and supplier of Figure 8 Blanks, also known as Spectacle Blinds, designed for safe and reliable flow isolation in piping systems. These components consist of two metal discs—one solid (the “blank”) and one with a bore (the “spacer”)—connected by a web or tie bar, resembling the shape of the number 8. Figure 8 Blanks are primarily used during maintenance, inspection, or shutdowns, allowing for easy switching between open and closed positions to isolate specific sections of a pipeline without disassembling the system. They are widely used in critical process applications where absolute flow shutoff is required.
We offer Figure 8 Blanks in sizes ranging from ½” to 36”, with thicknesses and dimensions in accordance with ASME B16.48, ANSI B16.5, and customer specifications. These components are available in a variety of pressure classes, such as Class 150, 300, 600, 900, 1500, and 2500, and are manufactured using high-grade materials including Stainless Steel (304, 316, 321, 347, 904L), Carbon Steel (A105, A516 Gr.70), Alloy Steel (F11, F22, F91), and Nickel Alloys (Inconel, Hastelloy, Monel). Each product is machined with precision, ensuring proper fit and sealing in high-pressure and high-temperature applications.
Figure 8 Blanks offer several advantages, including ease of installation, enhanced safety during equipment servicing, and clear visual confirmation of open or closed status. They are extensively used in industries such as oil & gas, petrochemical, chemical processing, power generation, refineries, and offshore facilities. At Bhavani Industries, all Figure 8 Blanks undergo stringent quality testing, including dimensional inspection, PMI, hydro testing, and third-party inspection, to ensure long-term performance and full compliance with international standards. Our commitment to precision engineering and reliable delivery makes us a trusted partner for critical piping solutions.
PED Certified Spectacle Blinds / Figure 8 Blanks in Stainless Steel (304/316), Carbon Steel (A105), and Alloy Steel, ASME B16.48 & MSS SP-44 Compliant, Raised Face & Flat Face Types, Sizes ½” to 36”.
Technical Index
Figure 8 Blank Standard Specifications
| Product Name | Figure 8 Blank / Spectacle Blind Flange / Spectacle Flange / Figure 8 Blind Flange |
|---|---|
| Flange Size Availability | 1/2″ (15 NB) to 48″ (1200NB) DN10~DN5000 |
| Flange Pressure Ratings | Class 150, 300, 600, 900, 1500, 2500, PN6, PN10, PN16, PN25, PN40, PN64 |
| Applicable Flange Standards | ANSI/ASME B16.5, B16.47 Series A & B, B16.48, BS4504, BS 10, EN-1092, DIN, GOST, MSS SP-44, ISO70051, JISB2220, BS1560-3.1, API7S-15, API7S-43, API605 |
| Flange Facing Types | Raised Face (RF), Flat Face (FF), Ring Type Joint (RTJ), Lap Joint, Male & Female (M&F), Tongue & Groove (T&G) |
| Custom Fabrication | Manufactured as per AS, BS, ANSI, DIN, JIS standards | Custom designs available | Equal and Reducing Configurations |
| Material Test Certifications | EN 10204 3.1 & EN 10204 3.2 | Compliance with NACE MR0175, NACE MR0103 |
| Testing & Inspection Reports | 100% Radiography Test Report, EN 10204/3.1B, Raw Material Certification, Third-Party Inspection Reports |
| Testing Procedures | Hydrostatic Testing, Direct-Reading Spectrograph, Ultrasonic Flaw Detection, X-ray Examination, Magnetic Particle Inspection |
| Manufacturing Equipment | Hydraulic Press Machines, Induction Heating, Bending Machines, Sand-Blasting Units, CNC Machining, Beveling Machines |
| Flange Coating Options | Anti-Rust Paint, Black Oil Paint, Yellow Transparent Coating, Zinc Plating, Hot-Dip & Cold-Dip Galvanization |
| Material Sourcing Regions | India, USA, Japan, West Europe, South Korea |
| Global Export Markets | UAE, Jordan, Bahrain, Kuwait, Oman, Qatar, Saudi Arabia, USA, Singapore, Malaysia, Azerbaijan, Armenia, Georgia, Egypt, Nigeria, South Africa, Kenya, Morocco, Ethiopia, Ghana, Tanzania, Sudan, Uganda, Angola |
RTJ Figure 8 Blind Flange Standards
| ANSI/ASME B16.47 Flanges | ANSI/ASME B16.36 Flanges | ANSI/ASME B16.5 Flanges | Pr. EN1902-1 Flanges |
| DIN Flanges | JIS Flanges | BS 4504 Flanges | BS 10 Flanges |
| MSS SP-44 Flanges | JIS B2220 Flanges | KS B1503 Flanges | UNI Flanges |
| SABS/SANS 1123 Flanges | AS 2129, AS 4087 Flanges | ISO 9624, ISO 7005-1 Flanges | AWWA Flanges Standard |
| GOST Standard Flanges | API Flanges | AS/ANZ 4331.1 Flanges | Series A Flange |
| Series B Flange | SAE J518 Flanges | GB Flange | Norwegian Standard Flanges |
Figure 8 Ring Joint Flange Material Grades and Standards
| Stainless Steel Figure 8 Blank | ASTM/ASME A/SA182: F304, F304L, F316, F316L | ASTM/ASME A/SA351: CF3, CF3M, CF8, CF8M | DIN: 1.4306, 1.4301, 1.4404, 1.4401, 1.4408, 1.4308, 1.4409 |
|---|---|
| Duplex Steel Figure 8 Blank | ASTM A182: S31803 / S32205 | Grades: F51, F52, F53, F54, F55, F57, F59, F60, F61 |
| Super Duplex Steel Figure 8 Blank | ASTM A182: S32750 / S32760 | Grades: F51, F52, F53, F54, F55, F57, F59, F60, F61 |
| Copper Nickel Figure 8 Blank | ASTM/ASME SB 61 / 62 / 151 / 152 | UNS: C70600 (90/10), C71500 (70/30), C71640 |
| Titanium Figure 8 Blank | ASTM B381 / ASME SB381: Gr.1, Gr.2, Gr.4, Gr.5, Gr.7 | UNS: R50250 (Gr.1), R50400 (Gr.2), R50550 (Gr.3), R50700 (Gr.4), R52400 (Gr.7), R53400 (Gr.12), R56320 (Gr.9), R56400 (Gr.5) |
| Copper Figure 8 Blank | Grades: TP1, TP2, C10100 – C12300, TU1, TU2, C12500, C14200, C14500 – C14530, C17200, C19200, C21000, C23000, C26000, C27000, C28000, C33000, C37000, C44300 – C44500, C60800, C63020, C68700, C70400, C70600, C71500, C71640 |
| Incoloy Figure 8 Blank | ASTM B564 / ASME SB564: Incoloy 800, 800H, 800HT (UNS N08800), 825 (UNS N08825), 925 |
| Inconel Figure 8 Blank | ASTM B564 / ASME SB564: Inconel 600, 601, 625, 718, 783, 690, X750 |
| Nickel Alloy Figure 8 Blank | ASTM B564 / ASME SB564: Nickel 200, Nickel 201, Nickel 205, Nickel 205LC |
| Hastelloy Figure 8 Blank | ASTM B564 / ASME SB564: Hastelloy C276 (UNS N10276), C22 (UNS N06022), C4, C2000, B2, B3, X |
| Monel Figure 8 Blank | ASTM B564 / ASME SB564: Monel 400 (UNS N04400), Monel 500 (UNS N05500) |
| Carbon Steel Figure 8 Blank | ASTM/ASME A/SA105, A/SA105N, A/SA216-WCB | DIN: 1.0460, 1.0402, 1.0619 | ASTM A105N, ASTM A350 LF2, ASTM A694 (F52, F56, F60, F65, F70, F80) |
| Alloy Steel Figure 8 Blank | ASTM A182 / ASME SA182: F5, F9, F11, F12, F22, F91 |
| Alloy 20 Figure 8 Blank | ASTM B462 / ASME SB462: Carpenter® 20 Alloy, Alloy 20Cb-3 |
| SMO 254 Figure 8 Blank | ASTM A182 / ASME SA182: SMO 254/6Mo, UNS S31254, DIN 1.4547 |
| Aluminium Figure 8 Blank | Grades: 5052, 6061, 6063, 2017, 7075 |
| Brass Figure 8 Blank | Grades: 3602, 2604, H59, H62 |
| Other Specialty Figure 8 Blank | Materials: Tin Bronze, Aluminum Bronze, Lead Bronze, Nimonic 75, Nimonic 80A, Nimonic 90, AISI 4140, AISI 4130, Mild Steel, Al6XN |
ASME B16.5 Flanges Types
ANSI B16.48 Spectacle Blind Flange Industries & Applications
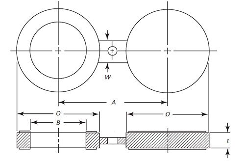
Figure 8 Blank Class 150 Dimensions
| NPS |
Inside Diameter – B |
Outside Diameter – O |
Centerline Dimension – A |
Thickness – t | Webwidth – W |
|---|---|---|---|---|---|
| 1⁄2 | 16 | 45 | 60 | 3.0 | 38 |
| 3⁄4 | 21 | 54 | 70 | 3.0 | 38 |
| 1 | 27 | 64 | 80 | 3.0 | 38 |
| 11⁄4 | 42 | 73 | 90 | 6.4 | 38 |
| 11⁄2 | 48 | 83 | 100 | 6.4 | 38 |
| 2 | 61 | 102 | 120 | 6.4 | 51 |
| 21⁄2 | 73 | 107 | 140 | 6.4 | 51 |
| 3 | 89 | 133 | 150 | 6.4 | 64 |
| 31⁄2 | 102 | 159 | 175 | 9.7 | 64 |
| 4 | 114 | 172 | 190 | 9.7 | 64 |
| 5 | 141 | 194 | 215 | 9.7 | 76 |
| 6 | 168 | 219 | 240 | 12.7 | 76 |
| 8 | 219 | 276 | 300 | 12.7 | 76 |
| 10 | 273 | 337 | 360 | 15.7 | 102 |
| 12 | 324 | 406 | 430 | 19.1 | 102 |
| 14 | 356 | 448 | 475 | 19.1 | 108 |
| 16 | 406 | 511 | 460 | 22.4 | 108 |
| 18 | 457 | 546 | 580 | 25.4 | 114 |
| 20 | 508 | 603 | 635 | 28.4 | 121 |
| 24 | 610 | 714 | 750 | 31.8 | 140 |
Figure 8 Blank Class 300 Dimensions
| NPS |
Outside Ø A |
Inside Ø B |
Center Line C |
THK t |
Web Width W |
|---|---|---|---|---|---|
| 1/2 | 51 | 16 | 65 | 6.4 | 38 |
| 3/4 | 64 | 21 | 80 | 6.4 | 38 |
| 1 | 70 | 27 | 90 | 6.4 | 38 |
| 1¼ | 79 | 42 | 100 | 6.4 | 38 |
| 1½ | 92 | 48 | 115 | 6.4 | 38 |
| 2 | 108 | 61 | 125 | 9.7 | 51 |
| 2½ | 127 | 73 | 150 | 9.7 | 51 |
| 3 | 146 | 89 | 170 | 9.7 | 64 |
| 3½ | 162 | 102 | 185 | 12.7 | 64 |
| 4 | 178 | 114 | 200 | 12.7 | 64 |
| 5 | 213 | 141 | 235 | 15.7 | 76 |
| 6 | 248 | 168 | 270 | 15.7 | 76 |
| 8 | 305 | 219 | 330 | 22.4 | 76 |
| 10 | 359 | 273 | 385 | 25.4 | 102 |
| 12 | 419 | 324 | 450 | 28.4 | 102 |
| 14 | 483 | 356 | 515 | 31.8 | 108 |
| 16 | 536 | 406 | 570 | 38.1 | 108 |
| 18 | 594 | 457 | 630 | 41.1 | 114 |
| 20 | 651 | 508 | 685 | 44.5 | 121 |
| 24 | 772 | 610 | 810 | 50.8 | 140 |
Figure 8 Blank Class 600 Dimensions
| NPS |
Outside Ø A |
Inside Ø B |
Center Line C |
THK t |
Web Width W |
|---|---|---|---|---|---|
| 1/2 | 51 | 16 | 65 | 6.4 | 38 |
| 3/4 | 64 | 21 | 80 | 6.4 | 38 |
| 1 | 70 | 27 | 90 | 6.4 | 57 |
| 1¼ | 79 | 37 | 100 | 9.7 | 57 |
| 1½ | 92 | 43 | 115 | 9.7 | 67 |
| 2 | 108 | 55 | 125 | 9.7 | 57 |
| 2½ | 127 | 67 | 150 | 12.7 | 67 |
| 3 | 146 | 83 | 170 | 12.7 | 67 |
| 3½ | 159 | 96 | 185 | 15.7 | 76 |
| 4 | 191 | 108 | 215 | 15.7 | 76 |
| 5 | 238 | 135 | 265 | 19.1 | 86 |
| 6 | 264 | 162 | 290 | 22.4 | 86 |
| 8 | 318 | 212 | 350 | 28.4 | 95 |
| 10 | 397 | 265 | 430 | 35.1 | 105 |
| 12 | 454 | 315 | 490 | 41.1 | 105 |
| 14 | 489 | 346 | 525 | 44.5 | 114 |
| 16 | 562 | 397 | 605 | 50.8 | 124 |
| 18 | 610 | 448 | 655 | 53.8 | 133 |
| 20 | 679 | 497 | 725 | 63.5 | 133 |
| 24 | 787 | 597 | 840 | 73.2 | 152 |
Figure 8 Blank Class 900 Dimensions
| NPS | Outside Ø A |
Inside Ø B |
Center Line C |
THK t |
Web Width W |
|---|---|---|---|---|---|
| 1/2 | 60 | 16 | 80 | 6.4 | 38 |
| 3/4 | 67 | 21 | 90 | 6.4 | 41 |
| 1 | 76 | 27 | 100 | 6.4 | 57 |
| 1¼ | 86 | 37 | 110 | 9.7 | 57 |
| 1½ | 95 | 43 | 125 | 9.7 | 67 |
| 2 | 140 | 55 | 165 | 12.7 | 57 |
| 2½ | 162 | 67 | 190 | 12.7 | 67 |
| 3 | 165 | 83 | 190 | 15.7 | 67 |
| 4 | 203 | 108 | 235 | 19.1 | 76 |
| 5 | 244 | 135 | 280 | 22.4 | 86 |
| 6 | 286 | 162 | 320 | 25.4 | 86 |
| 8 | 356 | 212 | 395 | 35.1 | 95 |
| 10 | 432 | 265 | 470 | 41.1 | 105 |
| 12 | 495 | 315 | 535 | 47.8 | 105 |
| 14 | 518 | 346 | 560 | 53.8 | 114 |
| 16 | 572 | 397 | 615 | 60.5 | 124 |
| 18 | 635 | 448 | 685 | 66.5 | 133 |
| 20 | 696 | 497 | 750 | 73.2 | 133 |
| 24 | 835 | 597 | 900 | 88.9 | 152 |
Figure 8 Blank Class 1500 Dimensions
| NPS | Outside Ø A |
Inside Ø B |
Center Line C |
THK t |
Web Width W |
|---|---|---|---|---|---|
| 1/2 | 61 | 16 | 80 | 6.4 | 38 |
| 3/4 | 67 | 21 | 90 | 9.7 | 41 |
| 1 | 76 | 27 | 100 | 9.7 | 64 |
| 1¼ | 86 | 35 | 110 | 9.7 | 64 |
| 1½ | 95 | 41 | 125 | 12.7 | 70 |
| 2 | 140 | 53 | 165 | 12.7 | 70 |
| 2½ | 162 | 63 | 190 | 15.7 | 76 |
| 3 | 172 | 78 | 205 | 19.1 | 76 |
| 4 | 206 | 102 | 240 | 22.4 | 89 |
| 5 | 251 | 128 | 290 | 28.4 | 89 |
| 6 | 279 | 154 | 320 | 35.1 | 89 |
| 8 | 349 | 203 | 395 | 41.1 | 102 |
| 10 | 432 | 255 | 480 | 50.8 | 114 |
| 12 | 518 | 303 | 570 | 60.5 | 114 |
| 14 | 575 | 333 | 635 | 66.5 | 127 |
| 16 | 638 | 381 | 705 | 76.2 | 133 |
| 18 | 702 | 429 | 775 | 85.9 | 146 |
| 20 | 752 | 478 | 830 | 95.3 | 152 |
| 24 | 899 | 575 | 990 | 111.3 | 178 |
Figure 8 Blank Class 2500 Dimensions
| NPS | Outside Ø A |
Inside Ø B |
Center Line C |
THK t |
Web Width W |
|---|---|---|---|---|---|
| 1/2 | 67 | 16 | 90 | 9.7 | 38 |
| 3/4 | 73 | 21 | 95 | 9.7 | 41 |
| 1 | 83 | 27 | 110 | 9.7 | 64 |
| 1¼ | 102 | 35 | 130 | 12.7 | 64 |
| 1½ | 114 | 41 | 145 | 15.7 | 70 |
| 2 | 143 | 53 | 170 | 15.7 | 70 |
| 2½ | 165 | 63 | 195 | 19.1 | 76 |
| 3 | 194 | 78 | 230 | 22.4 | 76 |
| 4 | 232 | 102 | 275 | 28.4 | 89 |
| 5 | 276 | 128 | 325 | 35.1 | 89 |
| 6 | 314 | 154 | 370 | 41.1 | 89 |
| 8 | 384 | 198 | 440 | 53.8 | 102 |
| 10 | 473 | 248 | 540 | 66.5 | 114 |
| 12 | 546 | 289 | 620 | 79.2 | 114 |
Major Figure 8 Blind Flange Export Countries
United Arab Emirates (UAE), Jordan, Bahrain, Kuwait, Oman, Qatar, Saudi Arabia, United States of America (USA), Singapore, Malaysia, Azerbaijan, Armenia, Georgia, Egypt, Algeria, Nigeria, South Africa, Kenya, Morocco, Ethiopia, Ghana, Tanzania, Sudan, Uganda, Angola.












