Blind Flanges

PED Certified Blind Flanges, Trusted Manufacturer and Supplier of BLRF Flange, BLFF Flange, EN 1092-2 PN16 Blind Flange, Covering All Types with Precise Dimensions, International Standards and Multiple Pressure Classes

A Blind Flange is a solid disk used to block off a pipeline or create a stop. It is commonly used in piping systems when the pipeline needs to be closed for maintenance or future expansion. Unlike other flanges, blind flanges do not have a bore and are ideal for high-pressure applications. Bhavani Industries, a trusted name in the piping industry, is a leading manufacturer and supplier of blind flanges across India and global markets.

Blind flanges are available in various pressure classes, typically ranging from Class 150, 300, 600, 900, 1500 to 2500 as per ANSI/ASME standards. The dimensions vary based on pipe size and pressure rating, conforming to international standards such as ASME B16.5, DIN, and BS standards. Bhavani Industries offers blind flanges in sizes from ½” to 48”, customized to meet specific client requirements with precision engineering and strict quality control.

At Bhavani Industries, blind flanges are manufactured using high-quality materials such as carbon steel, stainless steel, alloy steel, and duplex steel, ensuring durability and resistance to corrosion. The company uses advanced CNC machinery and testing equipment to produce flanges that meet both domestic and international standards. Each flange is thoroughly inspected to ensure dimensional accuracy and pressure sustainability.

Blind flanges are widely used in industries such as oil & gas, petrochemicals, water treatment, power generation, and shipbuilding. They are essential in pipelines where flow needs to be isolated or shut off. Bhavani Industries has built a strong reputation for delivering reliable blind flange solutions that perform under extreme conditions, making them a preferred supplier among engineering firms and EPC contractors.

Get ISO Certified BLRF Flange Manufacturers & Class 300 Blind Flange, Series A and Series B Blind Flange, ANSI B16.5 Class 150, Class 300, Class 600, Class 900, Class 1500, Class 2500 Blind Flanges Manufacturer in India

Blind Pipe Flange Standard Specifications

Product Name Blind Flanges | BLFF Flange | BLRF Flange
Flange Size Availability ½” (15 NB) to 48” (1200 NB)
Flange Pressure Ratings Class 150, 300, 600, 900, 1500, 2500, PN6, PN10, PN16, PN25, PN40, PN64
Applicable Flange Standards ANSI/ASME B16.5, B16.47 Series A & B, B16.48, BS4504, BS 10, EN-1092, DIN, GOST, MSS SP-44, ISO70051, JISB2220, BS1560-3.1, API7S-15, API7S-43, API605
Flange Facing Types Raised Face (RF), Flat Face (FF), Ring Type Joint (RTJ), Lap Joint, Male & Female (M&F), Tongue & Groove (T&G)
Custom Fabrication Manufactured as per AS, BS, ANSI, DIN, JIS standards | Custom designs available | Equal and Reducing Configurations
Material Test Certifications EN 10204 3.1 & EN 10204 3.2 | Compliance with NACE MR0175, NACE MR0103
Testing & Inspection Reports 100% Radiography Test Report, EN 10204/3.1B, Raw Material Certification, Third-Party Inspection Reports
Testing Procedures Hydrostatic Testing, Direct-Reading Spectrograph, Ultrasonic Flaw Detection, X-ray Examination, Magnetic Particle Inspection
Manufacturing Equipment Hydraulic Press Machines, Induction Heating, Bending Machines, Sand-Blasting Units, CNC Machining, Beveling Machines
Flange Coating Options Anti-Rust Paint, Black Oil Paint, Yellow Transparent Coating, Zinc Plating, Hot-Dip & Cold-Dip Galvanization
Material Sourcing Regions India, USA, Japan, West Europe, South Korea
Global Export Markets UAE, Jordan, Bahrain, Kuwait, Oman, Qatar, Saudi Arabia, USA, Singapore, Malaysia, Azerbaijan, Armenia, Georgia, Egypt, Nigeria, South Africa, Kenya, Morocco, Ethiopia, Ghana, Tanzania, Sudan, Uganda, Angola

Blind Flat Face Flange Standards

ANSI/ASME B16.47 Flanges ANSI/ASME B16.36 Flanges ANSI/ASME B16.5 Flanges Pr. EN1902-1 Flanges
DIN Flanges JIS Flanges BS 4504 Flanges BS 10 Flanges
MSS SP-44 Flanges JIS B2220 Flanges KS B1503 Flanges UNI Flanges
SABS/SANS 1123 Flanges AS 2129, AS 4087 Flanges ISO 9624, ISO 7005-1 Flanges AWWA Flanges Standard
GOST Standard Flanges API Flanges AS/ANZ 4331.1 Flanges Series A Flange
Series B Flange SAE J518 Flanges GB Flange Norwegian Standard Flanges

BLRF Flange Material Grades and Standards

Stainless Steel Blind Flanges ASTM/ASME A/SA182: F304, F304L, F316, F316L | ASTM/ASME A/SA351: CF3, CF3M, CF8, CF8M | DIN: 1.4306, 1.4301, 1.4404, 1.4401, 1.4408, 1.4308, 1.4409
Duplex Steel Blind Flanges ASTM A182: S31803 / S32205 | Grades: F51, F52, F53, F54, F55, F57, F59, F60, F61
Super Duplex Steel Blind Flanges ASTM A182: S32750 / S32760 | Grades: F51, F52, F53, F54, F55, F57, F59, F60, F61
Copper Nickel Blind Flanges ASTM/ASME SB 61 / 62 / 151 / 152 | UNS: C70600 (90/10), C71500 (70/30), C71640
Titanium Blind Flanges ASTM B381 / ASME SB381: Gr.1, Gr.2, Gr.4, Gr.5, Gr.7 | UNS: R50250 (Gr.1), R50400 (Gr.2), R50550 (Gr.3), R50700 (Gr.4), R52400 (Gr.7), R53400 (Gr.12), R56320 (Gr.9), R56400 (Gr.5)
Copper Blind Flanges Grades: TP1, TP2, C10100 – C12300, TU1, TU2, C12500, C14200, C14500 – C14530, C17200, C19200, C21000, C23000, C26000, C27000, C28000, C33000, C37000, C44300 – C44500, C60800, C63020, C68700, C70400, C70600, C71500, C71640
Incoloy Blind Flanges ASTM B564 / ASME SB564: Incoloy 800, 800H, 800HT (UNS N08800), 825 (UNS N08825), 925
Inconel Blind Flanges ASTM B564 / ASME SB564: Inconel 600, 601, 625, 718, 783, 690, X750
Nickel Alloy Blind Flanges ASTM B564 / ASME SB564: Nickel 200, Nickel 201, Nickel 205, Nickel 205LC
Hastelloy Blind Flanges ASTM B564 / ASME SB564: Hastelloy C276 (UNS N10276), C22 (UNS N06022), C4, C2000, B2, B3, X
Monel Blind Flanges ASTM B564 / ASME SB564: Monel 400 (UNS N04400), Monel 500 (UNS N05500)
Carbon Steel Blind Flanges ASTM/ASME A/SA105, A/SA105N, A/SA216-WCB | DIN: 1.0460, 1.0402, 1.0619 | ASTM A105N, ASTM A350 LF2, ASTM A694 (F52, F56, F60, F65, F70, F80)
Alloy Steel Blind Flanges ASTM A182 / ASME SA182: F5, F9, F11, F12, F22, F91
Alloy 20 Blind Flanges ASTM B462 / ASME SB462: Carpenter® 20 Alloy, Alloy 20Cb-3
SMO 254 Blind Flanges ASTM A182 / ASME SA182: SMO 254/6Mo, UNS S31254, DIN 1.4547
Aluminium Blind Flanges Grades: 5052, 6061, 6063, 2017, 7075
Brass Blind Flanges Grades: 3602, 2604, H59, H62
Other Specialty Blind Flanges Materials: Tin Bronze, Aluminum Bronze, Lead Bronze, Nimonic 75, Nimonic 80A, Nimonic 90, AISI 4140, AISI 4130, Mild Steel, Al6XN

ASME B16.5 Flanges Types

Slip-on Flange

SOFF, SORF

Threaded Flange

THRF - BSP & NPT

Blind Flange

BLFF, BLRF

Forged Flange

A105, A182, A350 LF2

RTJ Flange

Ring Type Joint

Orifice Flange

ASME B16.36

Plate Flange

DIN 2576 / EN 1092-1

Figure 8 Blank

Spectacle Flange ASME B16.48

ANSI B16.5 BLFF Flange Industries & Applications

Mining and Mineral Processing
Fire Safety and Suppression Systems
HVAC, Plumbing, and Mechanical Piping
Water Treatment and Distribution Networks
Nuclear Energy and Power Generation
Heat Exchangers and Thermal Systems
Oil, Gas, and Petrochemical Industries
Food Processing, Manufacturing, and Pharmaceutical Equipment

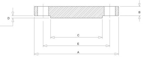
Class 150 Blind Flange Dimensions

ø D b g k Holes l Kg.
1/2″ 88,9 11,1 34,9 60,3 4 15,9 0,400
3/4″ 98,4 12,7 42,9 69,8 4 15,9 0,700
1″ 107,9 14,3 50,8 79,4 4 15,9 0,900
1 1/4″ 117,5 15,9 63,5 88,9 4 15,9 1,300
1 1/2″ 127,0 17,5 73,0 98,4 4 15,9 1,600
2″ 152,4 19,0 92,1 120,6 4 19,0 2,600
2 1/2″ 177,8 22,2 104,8 139,4 4 19,0 4,100
3″ 190,5 23,8 127,0 152,4 4 19,0 5,000
3 1/2″ 215,9 23,8 139,7 177,8 8 19,0 6,400
4″ 228,6 23,8 157,2 190,5 8 19,0 7,100
5″ 254,0 23,8 185,7 215,9 8 22,2 9,000
6″ 279,4 25,4 215,9 241,3 8 22,2 11,800
8″ 342,9 28,6 269,9 298,4 8 22,2 21,000
10″ 406,4 30,2 323,4 361,9 12 25,4 30,000
12″ 482,6 31,7 381,0 431,8 12 25,4 45,000
14″ 533,4 34,9 412,7 476,2 12 28,6 59,000
16″ 596,9 36,5 469,9 539,9 16 28,6 79,000
18″ 635,0 39,7 533,4 577,8 16 31,7 97,000
20″ 698,5 42,9 584,2 635,0 20 31,7 124,000
22″ 749,3 46,0 641,2 692,1 20 34,9 151,000
24″ 812,8 47,6 692,1 749,3 20 34,9 188,000

Class 300 Blind Flange Dimensions

ø D b g k Holes l Kg.
1/2″ 95,2 14,3 34,9 66,7 4 15,9 0,700
3/4″ 117,5 15,9 42,9 82,5 4 19,0 1,200
1″ 123,8 17,5 50,8 88,9 4 19,0 1,500
1 1/4″ 133,3 19,0 63,5 98,4 4 19,0 2,000
1 1/2″ 155,6 20,6 73,0 114,3 4 22,2 2,900
2″ 165,1 22,2 92,1 127,0 8 19,0 3,400
2 1/2″ 190,5 25,4 104,8 149,2 8 22,2 5,100
3″ 209,5 28,6 127,0 168,3 8 22,2 7,000
3 1/2″ 228,6 30,2 139,7 184,1 8 22,2 8,900
4″ 254,0 31,7 157,2 200,0 8 22,2 11,800
5″ 279,4 34,9 185,7 234,9 8 22,2 15,500
6″ 317,5 36,5 215,9 269,9 12 22,2 21,300
8″ 381,0 41,3 269,9 330,2 12 25,4 35,200
10″ 444,5 47,6 323,8 387,3 16 28,6 57,000
12″ 520,7 50,8 381,0 450,8 16 31,7 82,000
14″ 584,2 54,0 412,7 514,3 20 31,7 106,000
16″ 647,7 57,1 469,9 571,5 20 34,9 140,000
18″ 711,2 60,3 533,4 628,6 24 34,9 178,000
20″ 774,7 63,5 584,2 685,8 24 34,9 223,000
22″ 838,2 66,7 641,2 742,9 24 41,3 270,000
24″ 914,4 69,8 692,1 812,8 24 41,3 345,000

Class 400 Blind Flange Dimensions

Blind Flanges Dimensions
Size
in Inch
Size
in mm
Outer
Dia.
Flange
Thick.
RF
Dia.
RF
Height
PCD No of
Bolts
Bolt Size
UNC
RF Stud
Length
Hole
Size
ISO Stud
Size
Weight
in kg
A B C D E
1/2 15 95 14.3 34.9 7 66.7 4 1/2 75 5/8 M14 1.5
3/4 20 115 15.9 42.9 7 82.6 4 5/8 90 3/4 M16 1.5
1 25 125 17.5 50.8 7 88.9 4 5/8 90 3/4 M16 1.8
1 1/4 32 135 20.7 63.5 7 98.4 4 5/8 95 3/4 M16 2.3
1 1/2 40 155 22.3 73 7 114.3 4 3/4 110 7/8 M20 3.7
2 50 165 25.4 92.1 7 127 8 5/8 110 3/4 M16 4.6
2 1/2 65 190 28.6 104.8 7 149.2 8 3/4 120 7/8 M20 6.8
3 80 210 31.8 127 7 168.3 8 3/4 125 7/8 M20 9.1
3 1/2 90 230 35 N/A 7 184.2 8 7/8 140 1 M24 13.2
4 100 255 35 157.2 7 200 8 7/8 140 1 M24 15
5 125 280 38.1 185.7 7 235 8 7/8 145 1 M24 20
6 150 320 41.3 215.9 7 269.9 12 7/8 150 1 M24 28
8 200 380 47.7 269.9 7 330 12 1 170 1 1/8 M27 46
10 250 445 54 323.8 7 387.4 16 1 1/8 190 1 1/4 M30 71
12 300 520 57.2 381 7 450.8 16 1 1/4 205 1 3/8 M33 102
14 350 585 60.4 412.8 7 514.4 20 1 1/4 210 1 3/8 M33 132
16 400 650 63.5 469.9 7 571.5 20 1 3/8 220 1 1/2 M36 168
18 450 710 66.7 533.4 7 628.6 24 1 3/8 230 1 1/2 M36 207
20 500 775 69.9 584.2 7 685.8 24 1 1/2 240 1 3/4 M39 266
24 600 915 76.2 692.2 7 812.8 24 1 3/4 265 1 7/8 M45 405

Class 600 Blind Flange Dimensions

ø D b g k Holes l Kg.
1/2″ 95,2 14,3 34,9 66,7 4 15,9 0,700
3/4″ 117,5 15,9 42,9 82,5 4 19,0 1,200
1″ 123,8 17,5 50,8 88,9 4 19,0 1,500
1 1/4″ 133,3 20,6 63,5 98,4 4 19,0 2,000
1 1/2″ 155,6 22,2 73,0 114,3 4 22,2 3,200
2″ 165,1 25,4 92,1 127,0 8 19,0 4,300
2 1/2″ 190,5 28,6 104,8 149,2 8 22,2 6,000
3″ 209,5 31,7 127,0 168,3 8 22,2 8,000
3 1/2″ 228,6 34,9 139,7 184,1 8 25,4 10,500
4″ 273,0 38,1 157,2 215,9 8 25,4 18,000
5″ 330,2 44,4 185,7 266,7 8 28,6 28,500
6″ 355,6 47,6 215,9 292,1 12 28,6 35,500
8″ 419,1 55,6 269,9 349,2 12 31,7 58,000
10″ 508,0 63,5 323,8 431,8 16 34,9 98,000
12″ 558,8 66,7 381,0 488,9 20 34,9 125,000
14″ 603,2 69,8 412,7 527,0 20 38,1 151,000
16″ 685,8 76,2 469,9 603,2 20 41,3 215,000
18″ 742,9 82,5 533,4 654,0 20 44,4 287,000
20″ 812,8 88,9 584,2 723,9 24 44,4 366,000
22″ 869,9 95,2 641,2 777,9 24 47,6 437,000
24″ 939,8 101,6 692,1 838,2 24 50,8 532,000

Class 900 Blind Flange Dimensions

Size in Inch Size in mm Outer Dia. Flange Thick. RF Dia. RF Height PCD No of Bolts Bolt Size UNC RF Stud Length Hole Size ISO Stud Size Weight in kg
A B C D E
1/2 15 120 22.3 34.9 7 82.6 4 3/4 110 7/8 M20 1.8
3/4 20 130 25.4 42.9 7 88.9 4 3/4 115 7/8 M20 2.7
1 25 150 28.6 50.8 7 101.6 4 7/8 125 1 M24 3.6
1 1/4 32 160 28.6 63.5 7 111.1 4 7/8 125 1 M24 4.1
1 1/2 40 180 31.8 73 7 123.8 4 1 140 1 1/8 M27 5.9
2 50 215 38.1 92.1 7 165.1 8 7/8 145 1 M24 10.1
2 1/2 65 245 41.3 104.8 7 190.5 8 1 160 1 1/8 M27 16
3 80 240 38.1 127 7 190.5 8 7/8 145 1 M24 13
4 100 290 44.5 157.2 7 235 8 1 1/8 170 1 1/4 M30 24.5
5 125 350 50.8 185.7 7 279.4 8 1 1/4 190 1 3/8 M33 39.5
6 150 380 55.6 215.9 7 317.5 12 1 1/8 190 1 1/4 M30 53
8 200 470 63.5 269.9 7 393.7 12 1 3/8 220 1 1/2 M36 91
10 250 545 69.9 323.8 7 469.9 16 1 3/8 235 1 1/2 M36 132
12 300 610 79.4 381 7 533.4 20 1 3/8 255 1 1/2 M36 189
14 350 640 85.8 412.8 7 558.8 20 1 1/2 275 1 5/8 M39 237
16 400 705 88.9 469.9 7 616 20 1 5/8 285 1 3/4 M42 273
18 450 785 101.6 533.4 7 685.8 20 1 7/8 325 2 M48 367
20 500 855 108 584.2 7 749.3 20 2 350 2 1/8 M52 463
24 600 1040 139.7 692.2 7 901.7 20 2 1/2 440 2 5/8 M64 875

Class 1500 Blind Flange Dimensions

Size in Inch Size in mm Outer Dia. Flange Thick. RF Dia. RF Height PCD No of Bolts Bolt Size UNC RF Stud Length Hole Size ISO Stud Size Weight in kg
A B C D E
1/2 15 120 22.3 34.9 7 82.6 4 3/4 110 7/8 M20 1.8
3/4 20 130 25.4 42.9 7 88.9 4 3/4 115 7/8 M20 2.7
1 25 150 28.6 50.8 7 101.6 4 7/8 125 1 M24 3.7
1 1/4 32 160 28.6 63.5 7 111.1 4 7/8 125 1 M24 4.1
1 1/2 40 180 31.8 73 7 123.8 4 1 140 1 1/8 M27 5.9
2 50 215 38.1 92.1 7 165.1 8 7/8 145 1 M24 10.1
2 1/2 65 245 41.3 104.8 7 190.5 8 1 160 1 1/8 M27 15.9
3 80 265 47.7 127 7 203.2 8 1 1/8 180 1 1/4 M30 21.8
4 100 310 54 157.2 7 241.3 8 1 1/4 195 1 3/8 M33 33
5 125 375 73.1 185.7 7 292.1 8 1 1/2 250 1 5/8 M39 64
6 150 395 82.6 215.9 7 317.5 12 1 3/8 260 1 1/2 M36 75
8 200 485 92.1 269.9 7 393.7 12 1 5/8 290 1 3/4 M42 136
10 250 585 108 323.8 7 482.6 12 1 7/8 335 2 M48 232
12 300 675 123.9 381 7 571.5 16 2 375 2 1/8 M52 314
14 350 750 133.4 412.8 7 635 16 2 1/4 405 2 3/8 M56 443
16 400 825 146.1 469.9 7 704.8 16 2 1/2 445 2 5/8 M64 591
18 450 915 162 533.4 7 774.7 16 2 3/4 495 2 7/8 M72 795
20 500 985 177.8 584.2 7 831.8 16 3 540 3 1/8 M76 1022
24 600 1170 203.2 692.2 7 990.6 16 3 1/2 615 3 5/8 M90 1648

Class 2500 Blind Flange Dimensions

Size in Inch Size in mm Outer Dia. Flange Thick. RF Dia. RF Height PCD No of Bolts Bolt Size UNC RF Stud Length Hole Size ISO Stud Size Weight in kg
A B C D E
1/2 15 135 30.2 34.9 7 88.9 4 3/4 120 7/8 M20 3.2
3/4 20 140 31.8 42.9 7 95.2 4 3/4 125 7/8 M20 3.7
1 25 160 35 50.8 7 108 4 7/8 140 1 M24 5
1 1/4 32 185 38.1 63.5 7 130.2 4 1 150 1 1/8 M27 7.8
1 1/2 40 205 44.5 73 7 146 4 1 1/8 170 1 1/4 M30 10.5
2 50 235 50.9 92.1 7 171.4 8 1 180 1 1/8 M27 18
2 1/2 65 265 57.2 104.8 7 196.8 8 1 1/8 195 1 1/4 M30 25.5
3 80 305 66.7 127 7 228.6 8 1 1/4 220 1 3/8 M33 39
4 100 355 76.2 157.2 7 273 8 1 1/2 255 1 5/8 M39 61.5
5 125 420 92.1 185.7 7 323.8 8 1 3/4 300 1 7/8 M45 102
6 150 485 108 215.9 7 368.3 8 2 345 2 1/8 M52 157
8 200 550 127 269.9 7 438.2 12 2 380 2 1/8 M52 241
10 250 675 165.1 323.8 7 539.8 12 2 1/2 490 2 5/8 M64 470
12 300 760 184.2 381 7 619.1 12 2 3/4 540 2 7/8 M72 575

Major Blind Pipe Flanges Export Countries

United Arab Emirates (UAE), Jordan, Bahrain, Kuwait, Oman, Qatar, Saudi Arabia, United States of America (USA), Singapore, Malaysia, Azerbaijan, Armenia, Georgia, Egypt, Algeria, Nigeria, South Africa, Kenya, Morocco, Ethiopia, Ghana, Tanzania, Sudan, Uganda, Angola.