Equal Tee / Reducing Tee / Lateral Tee

Buttweld Tees – Equal, Reducing & Lateral Tees for industrial pipelines – seamless & welded, beveled ends as per ASME B16.9, MSS-SP-75, DIN 2615. Available in SS304/316, ASTM A234 WPB, Duplex, Inconel & more, Ready stock available for bulk purchase.

Bhavani Industries is a leading manufacturer and supplier of high-performance Buttweld Tees, designed for use in a wide range of industrial piping systems. A buttweld tee is a critical fitting that allows for the diversion, distribution, or combination of fluid flow at a 90-degree intersection. We manufacture and supply various types of tees, including Equal Tees, Reducing Tees, and Lateral Tees, each suited for specific flow configurations and process requirements. Equal tees have all three outlets of the same size and are commonly used to divide flow evenly, while reducing tees connect pipes of different diameters, making them ideal for pressure or flow adjustments. Lateral tees, which branch off at a 45-degree angle, are often used in applications where smoother flow transitions are required or when space constraints limit traditional 90-degree branches.

These tees are manufactured in sizes ranging from ½” to 48” (DN15 to DN1200) and wall thicknesses from SCH 5 to SCH 160 / XXS, covering low-pressure to high-pressure service conditions. All buttweld tees are produced in accordance with international standards such as ASME B16.9, ASTM A403, ASTM A234, MSS-SP-75, and EN 10253, ensuring consistency in wall thickness, dimensional accuracy, and structural integrity. We use various forming processes, including cold forming, hot forming, hydraulic bulging, and machining, depending on material type and project specifications. Bevel ends are finished as per ANSI B16.25 to facilitate seamless welding during installation.

Bhavani Industries manufactures buttweld tees using high-grade materials, including Stainless Steel (SS 304, 304L, 316, 316L, 321, 347, 904L), Carbon Steel (ASTM A234 WPB, WPC), Alloy Steel (WP5, WP11, WP22, WP91), and Nickel Alloys (Inconel 600/625, Monel 400, Hastelloy C276, Alloy 20). Each fitting undergoes a comprehensive quality assurance process involving Positive Material Identification (PMI), Ultrasonic Testing (UT), Radiographic Testing (RT), Hydrostatic Testing, and optional Third-Party Inspection to meet stringent application and industry standards. Our tees are widely used in oil & gas pipelines, chemical processing plants, petrochemical refineries, power generation units, water treatment facilities, and offshore structures, offering long-term reliability, corrosion resistance, and mechanical performance in critical flow control systems.

Export-Ready Equal, Reducing & Lateral Tees – Available in SS, CS, Alloy Steel, Duplex. Seamless and welded, Sizes from 1/2" to 48", SCH 10 to XXS, as per ASME B16.9 / MSS-SP-75. Large-scale supply for global markets.

Industrial Equal Tee Standard Specifications

Buttweld Tee Size Availability 1/2″~48″ NB (Seamless, Welded, and Fabricated)
Types Equal Tee, Reducing Tee, Lateral Tee
Wall Thickness Schedule 5S, 10S, 20S, S10, S20, S30, STD, 40S, S40, S60, XS, 80S, S80, S100, S120, S140, S160, XXS and others
Dimensions ASME B16.9, MSS-SP-75, ANSI/ASME B16.28 (where applicable)
DIN DIN 2615, DIN 2616, DIN 2617 (where applicable)
BS BS EN 10253, BS 1640 (where applicable)
Material Grades Stainless Steel (SS304, SS316), Carbon Steel (ASTM A234 WPB), Alloy Steel, Duplex, Super Duplex, Inconel
Coating / Surface Treatment Black Paint, Anti-rust Coating, Galvanized (Hot/Cold Dip), Pickled, Passivated
Ends Beveled (BW) Ends as per ASME B16.25, Plain Ends, Flanged (on request)
Tolerance As per ASME B16.9 / customer specification
Testing PMI, Hydro Test, UT, RT, Visual, Dimensional Inspection, Hardness Test (on request)
Certification EN 10204 3.1 / 3.2, ISO 9001:2015, PED Certified (on request)
Material Sourcing Regions India, Japan, USA, Europe, South Korea
Global Export Markets UAE, Saudi Arabia, Qatar, Oman, Kuwait, Bahrain, USA, Canada, Singapore, Malaysia, Nigeria, Egypt, South Africa, Kenya, Turkey, Kazakhstan, Indonesia, Brazil, Australia

Industrial Buttweld Tees Standards

ANSI/ASME B16.9 – Factory-Made Wrought Steel Buttwelding Fittings ANSI/ASME B16.28 – Wrought Steel Short Radius Elbows and Returns ANSI/ASME B16.25 – Buttwelding Ends(beval standards) MSS SP-43 – Wrought and fabricated Butt welding Fittings for Light Wall Applications
MSS SP-75 – High Test Wrought Butt welding Fittings DIN 2616 – Butt welding Pipe Fittings: Reducers DIN 2617 – Butt welding Pipe Fittings: Caps DIN28011 – Dished Ends(used in pressure vessels)
EN10253-1 Butt-welding Pipe Fittings(Non Alloy Steels) EN10253-2 Butt-welding Pipe Fittings(Stainless/Alloy Steels)

Buttweld Pipe Tee Material Grades and Standards

Stainless Steel Equal Tee / Reducing Tee / Lateral Tee ASTM A403 WP304/304L, WP316/316L, ASTM A774(Welded):DIN 1.4301, DIN1.4306, DIN 1.4401, DIN 1.4404
Duplex Steel Equal Tee / Reducing Tee / Lateral Tee ASTM A 815 / ASME SA 815 UNS S31803, S32205. Werkstoff No. 1.4462
Super Duplex Steel Equal Tee / Reducing Tee / Lateral Tee ASTM A 815 / ASME SA 815 UNS S32750, S32950. Werkstoff No. 1.4410
Carbon Steel Equal Tee / Reducing Tee / Lateral Tee ASTM A234 / ASME SA234 WPB , WPBW, ASTM A860 WPHY 42, 46, 52, 60, 65, 70.
Alloy Steel Equal Tee / Reducing Tee / Lateral Tee ASTM A234 / ASME SA 234 Gr. WP 1, WP 5, WP 9, WP 11, WP 12, WP 22, WP 91
High Nickel Alloy Equal Tee / Reducing Tee / Lateral Tee ASTM B336, ASME SB336, Nickel 200 (UNS No. No2200), Nickel 201 (UNS No. N02201), Monel 400 (UNS No. N04400), Monel 500 (UNS No. N05500), Inconel 800 (UNS No. N08800), Inconel 825 (UNS No. N08825), Inconel 600 (UNS No. N06600), Inconel 625 (UNS No. N06625), Inconel 601 (UNS No. N06601), Hastelloy C 276 (UNS No. N10276), Alloy 20 (UNS No. N08020), Titanium (Grade I & II), Cupro-Nickel 70/30, CuNi10Fe1Mn, CuNi30Mn1Fe.
Other Specialty Equal Tee / Reducing Tee / Lateral Tee Materials: Tin Bronze, Aluminum Bronze, Lead Bronze, Nimonic 75, Nimonic 80A, Nimonic 90, AISI 4140, AISI 4130, Mild Steel, Al6XN

ASME B16.9 Buttweld Fittings Types

45 Degree Elbow

LR/SR Elbow

90 Degree Elbow

LR/SR Elbow

180 Degree Elbow

LR/SR Return

Pipe Bends

Piggable / Long Radius

Tee

Equal / Reducing / Lateral

Reducer

Concentric / Eccentric

Cross

Equal / Reducing

Lap Joint Stub End

Long / Short

End Caps

Pipe Caps

Butt weld Reducing Tee Industries & Applications

Mining and Mineral Processing
Fire Safety and Suppression Systems
HVAC, Plumbing, and Mechanical Piping
Water Treatment and Distribution Networks
Nuclear Energy and Power Generation
Heat Exchangers and Thermal Systems
Oil, Gas, and Petrochemical Industries
Food Processing, Manufacturing, and Pharmaceutical Equipment

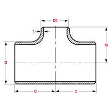
Buttweld Equal Tee Dimensional Tolerance

Equal Tee Dimensions
Nominal Pipe Size Outside diameter
at bevel
Center-to-End
Run (C) Outlet(M)
1/2" 21.3 25 25
3/4" 26.7 29 29
1" 33.4 38 38
1 1/4" 42.2 48 48
1 1/2" 48.3 57 57
2" 60.3 64 64
2 1/2" 73.0 76 76
3" 88.9 86 86
3 1/2" 101.6 95 95
4" 114.3 105 105
5" 141.3 124 124
6" 168.3 143 143
8" 219.1 178 178
10" 273.0 216 216
12" 323.8 254 254
14" 355.6 279 279
16" 406.4 305 305
18" 457.0 343 343
20" 508.0 381 381
22" 559.0 419 419
24" 610.0 432 432

Reducing Tee Dimensions

Reducing Tee Dimensions
NOMINAL PIPE SIZE OUTSIDE DIAMETER CENTER TO END
Inch D P C M
1/2 x 3/8 21.3 17.1 25 25
1/2 x 1/4 21.3 13.7 25 25
3/4 x 1/2 26.7 21.3 29 29
3/4 x 3/8 26.7 17.1 29 29
1 x 3/4 33.4 26.7 38 38
1 x 1/2 33.4 21.3 38 38
1 1/4 x 1 42.2 33.4 48 48
1 1/4 x 3/4 42.2 26.7 48 48
1 1/4 x 1/2 42.2 21.3 48 48
1 1/2 x 1 1/2 48.3 42.2 57 57
1 1/2 x 1 48.3 33.4 57 57
1 1/2 x 3/4 48.3 26.7 57 57
1 1/2 x 1/2 48.3 21.3 57 57
2 x 1 1/2 60.3 48.2 64 60
2 x 1 1/4 60.3 42.2 64 57
2 x 1 60.3 33.4 64 51
2 x 3/4 60.3 26.7 64 44
2 1/2 x 2 73 60.3 76 70
2 1/2 x 1 1/2 73 48.3 76 67
2 1/2 x 1 1/4 73 42.2 76 64
2 1/2 x 1 73 33.4 76 57
3 x 2 1/2 88.9 73 86 83
3 x 2 88.9 60.3 86 76
3 x 1 1/2 88.9 48.3 86 73
3 x 1 1/4 88.9 42.2 86 70
3 1/2 x 3 101.6 88.9 95 92
3 1/2 x 21/2 101.6 73 95 89
3 1/2 x 2 101.6 60.3 95 83
3 1/2 x 1 1/2 101.6 48.3 95 79
4 x 3 1/2 114.3 101.6 105 102
4 x 3 114.3 88.9 105 98
4 x 2 1/2 114.3 73 105 95
4 x 2 114.3 60.3 105 89
4 x 1 1/2 114.3 48.3 105 86
5 x 4 141.3 114.3 124 117
5 x 3 1/2 141.3 101.6 124 114
5 x 3 141.3 88.9 124 111
5 x 2 1/2 141.3 73 124 108
5 x 2 141.3 60.3 124 105
6 x 5 168.3 141.3 143 137
6 x 4 168.3 114.3 143 130
6 x 3 1/2 168.3 101.6 143 127
6 x 3 168.3 88.9 143 124
6 x 2 1/2 168.3 73 143 121
8 x 6 219.1 168.3 178 168
8 x 5 219.1 141.3 178 162
8 x 4 219.1 114.3 178 156
8 x 3 1/2 219.1 101.6 178 152
10 x 8 273.1 219.1 216 203
10 x 6 273.1 168.1 216 194
10 x 5 273.1 141.3 216 191
10 x 4 273.1 114.3 216 184
12 x 10 323.9 273.1 254 241
12 x 8 323.9 219.1 254 229
12 x 6 323.9 168.3 254 219
12 x 5 323.9 141.3 254 216
14 x 12 355.6 323.9 279 270
14 x 10 355.6 273.1 279 257
14 x 8 355.6 219.1 279 248
14 x 6 355.6 168.3 279 238
16 x 14 406.4 355.6 305 305
16 x 12 406.4 323.9 305 295
16 x 10 406.4 273.1 305 283
16 x 8 406.4 219.1 305 273
16 x 6 406.4 168.3 305 264
18 x 16 457 406.4 343 330
18 x 14 457 355.6 343 330
18 x 12 457 323.9 343 321
18 x 10 457 273.1 343 308
18 x 8 457 219.1 343 298
20 x 18 508 457 381 368
20 x 16 508 406.4 381 356
20 x 14 508 355.6 381 356
20 x 12 508 323.9 381 346
20 x 10 508 273.1 381 333
20 x 8 508 219.1 381 324
22 x 20 559 508 419 406
22 x 18 559 457 419 394
22 x 16 559 406.4 419 381
22 x 14 559 355.6 419 381
22 x 12 559 323.9 419 371
24 x 10 559 273.1 419 359
24 x 22 610 559 432 432
24 x 20 610 508 432 432
24 x 18 610 457 432 419
24 x 16 610 406.4 432 406
24 x 14 610 355.6 432 406
24 x 12 610 323.9 432 397
24 x 10 610 273.1 432 384

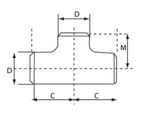
Lateral Tee Dimensions

Lateral Tee Dimensions
Nominal Pipe Size (NPS) Center-to-End (C) Run Diameter (D) Branch Diameter (d) Thickness (SCH) Type
1/2″ 38 mm 21.3 mm 21.3 mm SCH 40 / 80 Seamless / Welded
1″ 57 mm 33.4 mm 33.4 mm SCH 40 / 80 Seamless / Welded
2″ 76 mm 60.3 mm 60.3 mm SCH 40 / 80 Seamless / Welded
4″ 114 mm 114.3 mm 114.3 mm SCH 40 / 80 / 160 Seamless / Welded
6″ 152 mm 168.3 mm 168.3 mm SCH 40 / 80 / XXS Seamless / Welded

ASME B16.9 Buttweld Equal Tee Weight Chart

NPS LBS KG
1/2 0.35 0.16
3/4 0.45 0.2
1 0.75 0.34
1.1/4 1.3 0.59
1.1/2 2 0.91
2 3.5 1.59
2.1/2 6 2.72
3 7 3.18
3.1/2 9 4.08
4 12 5.44
5 21 9.53
6 34 15.42
8 55 24.95
10 85 38.56
12 120 54.43
14 165 74.84
16 195 88.45
18 249 112.94
20 342 155.13
22 414 187.79
24 528 239.5
26 770 349.27
30 1060 480.81
36 1490 675.85
NPS LBS KG

Major Industrial Buttweld Pipe Tee Export Countries

United Arab Emirates (UAE), Jordan, Bahrain, Kuwait, Oman, Qatar, Saudi Arabia, United States of America (USA), Singapore, Malaysia, Azerbaijan, Armenia, Georgia, Egypt, Algeria, Nigeria, South Africa, Kenya, Morocco, Ethiopia, Ghana, Tanzania, Sudan, Uganda, Angola.